Objetivas 850nm óticas do telefone 21mm de Universal Mobile
Especificação do produto
Local de Origem:
China
Marca:
Advance
Certificação:
ROHS\Reach
Número do modelo:
Como exigências
Quantidade mínima de pedido:
1
Preço:
$0.2~$100
Condições de pagamento:
T/T&L/C
Capacidade de fornecimento:
1000k/por mês
Detalhes do produto
Destacar:
Objetivas óticas do telefone celular
,objetivas 850nm óticas
,lente zoom da câmera do telefone celular de 21mm
Warranty:
-
Customized Support:
OEM, ODM
Usage:
Óptico, Óptico
Structure:
Plano-convexo, Plano-convexo
Shape:
Asféricos, asféricos
Material:
metal+vidro
Size:
Tamanho personalizado
Lens Diameter:
Personalizado
Focal Length:
Personalizado
Wavelength:
Personalizado
Type:
Personalizado
OEM:
sim
Port:
Xangai
Interface Type:
Canon EF-S
Diameter:
25 mm
Centerthickness:
5 mm
Width Tolerance:
+/- 0,01mm
Style:
antigo
Application Area:
Iluminação, Laser etc
Shape:
Esférica
Focal Length Tolerance:
+/- 1%
Material:
vidro óptico
Operatingtemperature:
°C -20 a 70
Filter Ring Color:
Preto, tira, ouro
Coating Choice:
Verde
Refractiveindex:
1.52
Focal Length:
150 mm
Descrição do produto
Lente universal por atacado profissional feita sob encomenda do telefone celular da câmera
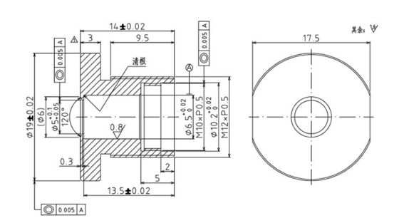
Especificação
| Materiais | Metal+Glass |
| Comprimento total da trilha | 21mm |
| Distância focal | 14.5mm |
| Distorção | <2> |
| Revestimento | T> 99.8@850nm+ /-20nm |
| Ponto inicial de dano | 50J/Cm^2 |
| Ponto inicial do parafuso | M12*0.5-6g |
| Área de aplicação | Laser |





Recomende produtos
Perfil da empresa

A tecnologia Co. da Ótico-eletrônica do avanço de Shanghai, Ltd. é uma empresa baseada na tecnologia da produção, estabelecida oficialmente em setembro de 2009, o local de planta situado no parque industrial de Qingpu, Shanghai, somente a movimentação das meias horas do aeroporto internacional de Shanghai Hongqiao. A empresa recolhe diversos technicans excelentes na indústria ótica, tem capacidades de apoio detalhadas tais como serviços mecânicos e elétricos óticos do projeto, do processamento e das vendas, e fornece wholeheartedly cada cliente os produtos e serviço de alta qualidade e convenientes. Espaço do negócio: desenvolvimento mecânico e elétrico ótico do módulo, elemento ótico da precisão processando, processamento da objetiva projeto e, projeto ótico e solução ótica da otimização do trajeto, consulta técnica e serviço pós-venda. Campos da aplicação: visão por computador, inteligência artificial, cidade biomedicável, esperta, monitoração da parte alta, instrumentos de teste, equipamento militar, gravura a água-forte do laser, iluminação especial, instituições de pesquisa científica, vantagens da empresa etc.:
1. Tenha capacidades detalhadas do projeto, da produção e das vendas, e forneça clientes os serviços convenientes de uma parada da obtenção; 2. Tem dez dos milhares de moldes e de amostras óticos, que podem fornecer clientes os serviços de impermeabilização rápidos com baixo custo; 3. possa participar cedo na investigação e desenvolvimento do produto novo do cliente, fornecer planos e sugestões praticáveis, e faça ao projeto menos rodeios;
Certificações

Exposição

Embalagem & entrega


FAQ
Q: Que são seus produtos principais ou o que fiefd fazer seus produtos seja usado?
: Nós somos especializados no elemento ótico que processa, conjunto de design.optical das lentes, tal como a lente esférica, Aspherical
a lente, o espelho de Cylindarlens, de refletor, a lente do filtro, do Rod, as objetivas etc., e nossos produtos são usados largamente a estes arquivados como
imagem latente, laser, iluminando etc.
Q: Que é sua vantagem?
1. Nós temos aproximadamente dez módulos dos milhares e estoques óticos do fixturesin, e empregamos diversos técnicos e manager.that proeminentes
permitirá de fornecer a qualidade excelente do cliente no shortleadtime, igualmente pode salvar a abundância de desenvolvem o custo para o cliente.
2. Nós podemos ajudar o cliente a aperfeiçoar o desagrado do whichthey do sistema ótico, e fornecemos a solução ou a sugestão ótica livre.
: Nós somos especializados no elemento ótico que processa, conjunto de design.optical das lentes, tal como a lente esférica, Aspherical
a lente, o espelho de Cylindarlens, de refletor, a lente do filtro, do Rod, as objetivas etc., e nossos produtos são usados largamente a estes arquivados como
imagem latente, laser, iluminando etc.
Q: Que é sua vantagem?
1. Nós temos aproximadamente dez módulos dos milhares e estoques óticos do fixturesin, e empregamos diversos técnicos e manager.that proeminentes
permitirá de fornecer a qualidade excelente do cliente no shortleadtime, igualmente pode salvar a abundância de desenvolvem o custo para o cliente.
2. Nós podemos ajudar o cliente a aperfeiçoar o desagrado do whichthey do sistema ótico, e fornecemos a solução ou a sugestão ótica livre.
Q: Que é seu MOQ?
: 10pcs.
: 10pcs.
Q: Que é seu prazo de entrega?
: 1day para o inventário e 25~35days para o projeto novo.
Q: Que é seu tipo de envio?
: Geralmente por Fedex, por DHL, por TNT, por EMS etc. ou por cliente apontou.
Q: Que é a condição do pagamento?
: T/T, L/C, VISTO, Paypal, Alipay ou negociação.
Q: Que é seu período de garantia da qualidade?
: Três anos.
Q: Que é seu tipo de envio?
: Geralmente por Fedex, por DHL, por TNT, por EMS etc. ou por cliente apontou.
Q: Que é a condição do pagamento?
: T/T, L/C, VISTO, Paypal, Alipay ou negociação.
Q: Que é seu período de garantia da qualidade?
: Três anos.
relacionado produtos
Entre em contato com nossos especialistas e obtenha uma consulta gratuita!
A nossa missão é oferecer "High Quality" & "Good Service" & "Fast Delivery" para ajudar os nossos clientes a obter mais lucros.